Amoybrand

4 "150 lb Dual Plattenwafer -Scheckventil API594 A995 5A
4 "150 lb Dual Plattenwafer -Scheckventil API594 A995 5A

4 "150 lb Dual Plattenwafer -Scheckventil API594 A995 5A

Dervos bietet ein Premium -Wafer -Scheckventil an, das für anspruchsvolle industrielle Anwendungen entwickelt wurde. Hergestellt von A352 LCC, 4 "150 lb Waferprüfventil hat die strukturellen Eigenschaften der Dualplatte.

  • VENTIL :

    Waferprüfventil
  • Waferprüfventil :

    A995 5a
  • Ventilgröße :

    4"
  • Designstandard :

    API 594
  • VERBINDUNG :

    Wafertyp
  • Max.temp. :

    300 ° C.
  • Produktdetail

 

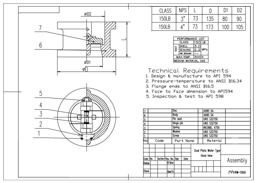
Dual Plate Wafer Checkventil Technische Zeichnung

 

Schlüsselmerkmale:

1.    Dieses 4 -Zoll -Scheckventil aus A995 -Duplex -Duplex -Duplex -Duplex -Edelstahl bietet eine überlegene Korrosionsbeständigkeit in harten Umgebungen.

2.    Mit Einhaltung der API 594 sorgt das Dual-Plate-Wafer-Design sicher, dass eine effiziente Verhinderung der Rückfluss und eine platzsparende Installation.

Ventilkörper

A995 5a

Scheibe

API 594

Verbindungsart

Doppelflansch RF

Angesicht zu Angesichtsdimension

API 594

Flansch dunkel

ANSI B16.5

Teststandard

API 598

Drucktemperatur

ANSI B16.34

eine Nachricht hinterlassen

Wenn Sie an unseren Produkten interessiert sind und mehr Details erfahren möchten, hinterlassen Sie bitte hier eine Nachricht, wir werden Ihnen so schnell wie möglich antworten.
Kategorien

Tägliches Update abrufen Wir teilen Ihre E-Mail-Adresse niemals mit einem Drittanbieter.

eine Nachricht hinterlassen
Wenn Sie an unseren Produkten interessiert sind und mehr Details erfahren möchten, hinterlassen Sie bitte hier eine Nachricht, wir werden Ihnen so schnell wie möglich antworten.