Amoybrand

20 "600lb Dual Plate Wafer Wafer Ventil LCC API594
20 "600lb Dual Plate Wafer Wafer Ventil LCC API594

20 "600lb Dual Plate Wafer Wafer Ventil LCC API594

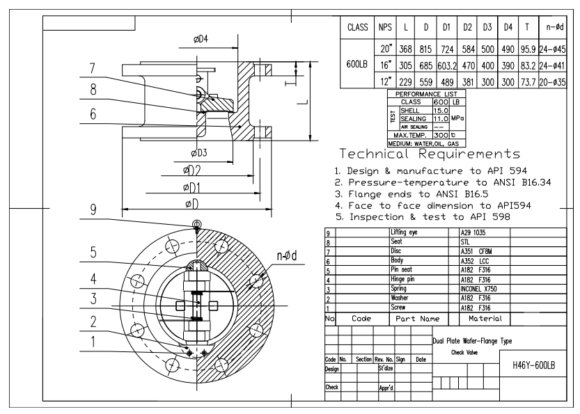
Dervos bietet ein Premium -Wafer -Scheckventil an, das für anspruchsvolle industrielle Anwendungen entwickelt wurde. Gemacht von A352 LCC, 20 "600 lb, 20 "600 lb Dual Plate Wafer -Wafer -Ventil hat die strukturellen Eigenschaften der Dualplatte.

  • VENTIL :

    Waferprüfventil
  • Körpermaterial :

    A352 LCC
  • Ventilgröße :

    20"
  • Designstandard :

    API 594
  • VERBINDUNG :

    VERBINDUNG
  • Max.temp. :

    300 ° C.
  • Produktdetail

 

Dual Plate Wafer Checkventil Technische Zeichnung

 

Schlüsselmerkmale:

  1. Das 20-Zoll-Dual-Plate-Wafer-Wafer-Scheckventil verfügt über ein kompaktes LCC-Körperdesign, das unter Hochdruckbedingungen eine hervorragende Festigkeit und Korrosionsbeständigkeit bietet.
  2. Mit Einhaltung der API 594-Standards sorgt dieses Ventil sicher, dass eine zuverlässige Backflow-Vorbeugung mit einer platzsparenden Waferverbindung für eine einfache Pipeline-Installation gewährleistet ist.

Ventilkörper

A352 LCC

Scheibe

API 594

Verbindungsart

Doppelflansch RF

Angesicht zu Angesichtsdimension

API 594

Flansch dunkel

ANSI B16.5

Teststandard

API 598

Drucktemperatur

ANSI B16.34

eine Nachricht hinterlassen

Wenn Sie an unseren Produkten interessiert sind und mehr Details erfahren möchten, hinterlassen Sie bitte hier eine Nachricht, wir werden Ihnen so schnell wie möglich antworten.
Kategorien

Tägliches Update abrufen Wir teilen Ihre E-Mail-Adresse niemals mit einem Drittanbieter.

eine Nachricht hinterlassen
Wenn Sie an unseren Produkten interessiert sind und mehr Details erfahren möchten, hinterlassen Sie bitte hier eine Nachricht, wir werden Ihnen so schnell wie möglich antworten.